Топ-100
Новости. Аналитика. Кейсы

Котельная для коттеджа д. Сколково

BIM/ТИМ проектирование
Местоположение объекта: Московская область, Одинцовский район, д. Сколково
Площадь объекта: 6 м2
Выполняемые разделы: Котельная (ТМ)
С какой задачей к нам обратился заказчик: Нужен был проект котельной в жилом доме
Какое решение предоставила компания: На объекте уже был разработан раздел ОВ1: система отопления и тёплые полы. Перед нами стояла задача не пересматривать концепцию, а корректно подобрать оборудование котельной с учётом расчётных тепловых нагрузок и требований заказчика к эстетике помещения.
Ключевое ограничение — трубопроводы в котельной не должны быть видимыми. Открытая прокладка магистралей не устраивала заказчика с точки зрения архитектуры интерьера.
Мы предложили техническое решение: применение гибких труб с прокладкой в конструкции пола, в стяжке. Это позволило:
  • скрыть трассировку подающей и обратной линий;

  • сохранить расчётные диаметры и гидравлические параметры;

  • обеспечить аккуратный внешний вид помещения;

  • минимизировать количество открытых инженерных коммуникаций.

При этом были заранее рассчитаны радиусы изгиба, компенсация температурных удлинений и возможность обслуживания соединений. Решение позволило соблюсти баланс между инженерной логикой и архитектурным требованием к чистоте пространства.

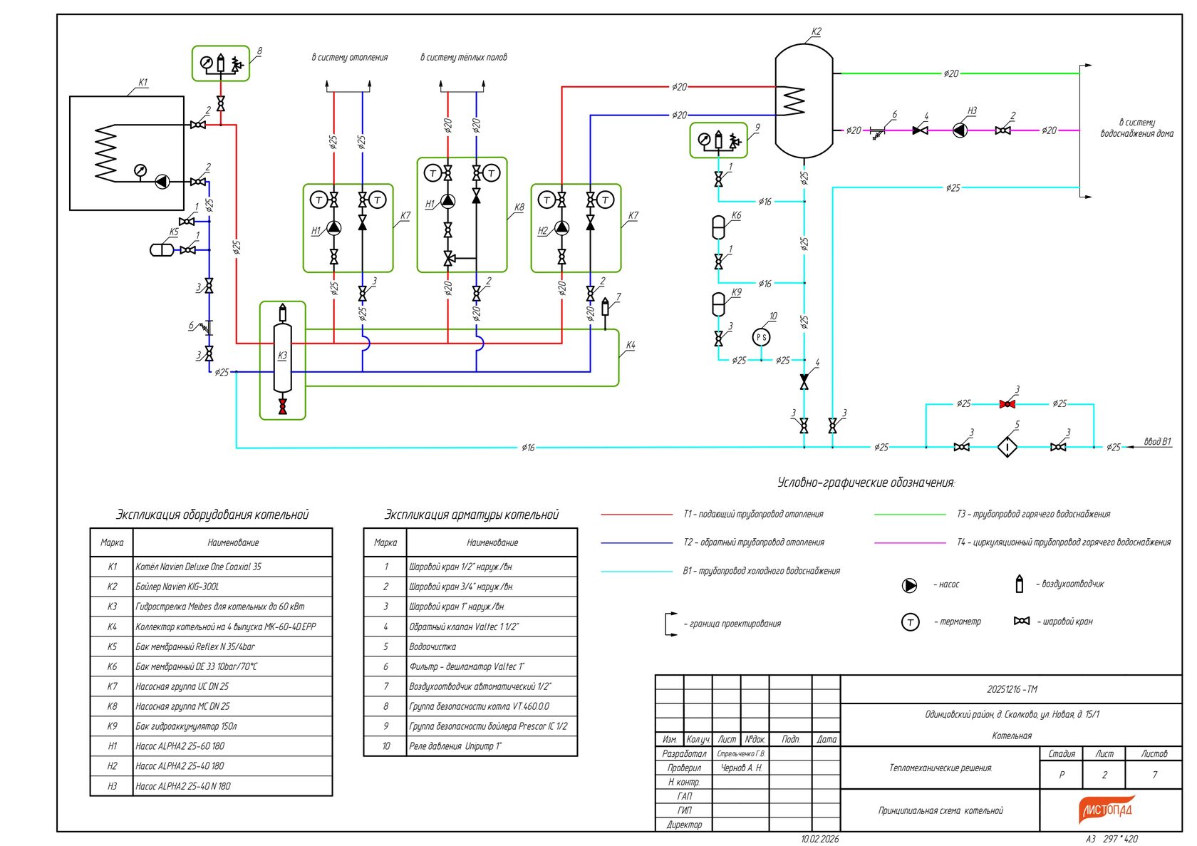
Принципиальная схема котельной

На принципиальной схеме показана логика работы системы: источник тепла, насосные группы, коллекторы, запорно-регулирующая арматура, автоматика и контуры потребителей.
Наша команда всегда уделяет особое внимание:
  • гидравлическому разделению контуров,
  • правильному подбору диаметров,
  • балансировке по расходам,
  • расположению воздухоотводчиков и сливов,
  • защите котлов от низкотемпературной коррозии.
Принципиальная схема — это основа безошибочной эксплуатации. Если здесь допущена неточность, на объекте появляются постоянные жалобы: шумы, недогрев, неравномерная работа контуров.

3D-вид котельной

Трёхмерная модель позволяет увидеть реальную геометрию узла: расстояния между котлами, проходы для обслуживания, высотные отметки трубопроводов, расположение дымоходов и насосных групп.
Мы выполняем проектирование в лицензированном российском программном обеспечении Renga. Это позволяет:
  • проверить коллизии,
  • заранее увидеть конфликт труб с конструкциями,
  • оценить удобство монтажа,
  • сформировать точные спецификации.
3D-модель — это не «картинка для заказчика». Это инструмент снижения ошибок до выхода на объект.

План котельной

План отражает размещение оборудования в горизонтальной проекции: котлы, коллекторы, насосы, расширительные баки, узлы подпитки.
При разработке плана мы проверяем:
  • нормативные расстояния для обслуживания,
  • доступ к запорной арматуре,
  • логичность трассировки трубопроводов,
  • минимизацию пересечений.
Ошибка на плане — это тесная котельная, невозможность заменить насос или демонтировать теплообменник без разборки половины системы.

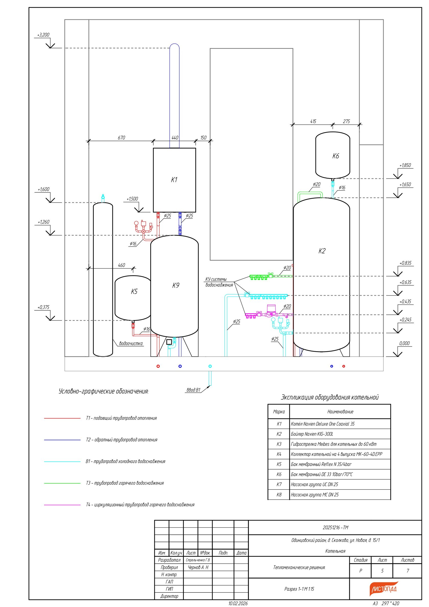
Разрез 1 котельной

Разрезы показывают высотные отметки оборудования и трубопроводов. Это критично для:
  • правильного уклона труб,
  • установки автоматических воздухоотводчиков,
  • размещения дымоходов,
  • проверки монтажных зазоров.
Именно в разрезах часто выявляются ошибки, которые не видны на плане.

Разрез 2 котельной

В другом разрезе, как правило, раскрывается другая ось помещения: привязка трубопроводов к стенам, перекрытиям, высоте потолков.
Здесь важно:
  • проверить высоту подвеса,
  • исключить конфликт с балками,
  • обеспечить доступ к запорной арматуре,
  • соблюсти требования пожарной безопасности.
Без детальной проработки разрезов монтаж превращается в импровизацию.

Разрез 3 котельной

В разрезах обычно фиксируют наиболее насыщенную инженерную зону: коллекторы, насосные группы, узлы автоматики.
Здесь мы проверяем:
  • компактность компоновки,
  • удобство обслуживания,
  • читаемость трассировки,
  • возможность поэтапного монтажа.
Котельная — это сердце системы отопления. И она должна быть спроектирована так, чтобы работать десятилетиями без постоянных вмешательств.

Почему выбирают «Листопад»


  • Опыт проектирования инженерных систем с 1995 года.
  • Чёткие сроки, без переработок и нестыковок.
  • Точная документация для монтажных организаций.
  • Проекты проходят экспертизу без проблем.

Познакомится с командой

📧 info@listopad.online

📞 WhatsApp: +7-906-058-058-8

📱 Telegram: @ingeniring_listopad